Bán máy bơm màng khí nén hóa chất cho ngành công nghiệp
Máy bơm màng khí nén là thiết bị sử dụng khí nén làm nguồn năng lượng để tạo ra chuyển động hút – đẩy chất lỏng thông qua màng bơm đàn hồi.
Trong ngành hóa chất, đây là loại bơm được ưa chuộng nhất hiện nay nhờ khả năng chống ăn mòn, không rò rỉ và hoạt động an toàn trong môi trường dễ cháy nổ.
So với các dòng bơm điện hay bơm ly tâm thông thường, bơm màng khí nén hóa chất có thể bơm được nhiều loại dung dịch có tính axit, kiềm hoặc dung môi mạnh mà không bị hư hại vật liệu.

1. Ưu điểm của máy bơm màng khí nén khi bơm hóa chất
- Chống ăn mòn tốt: Thân bơm được làm từ PP, PVDF, hoặc Inox 316 chịu được hầu hết các loại hóa chất.
- An toàn tuyệt đối: Không dùng điện nên không gây nguy cơ cháy nổ trong môi trường dễ bay hơi.
- Không rò rỉ: Thiết kế kín, không có phớt trục, ngăn ngừa rò hóa chất độc hại ra ngoài.
- Đa năng: Bơm được chất lỏng, bán rắn, dung môi, axit – kiềm.
- Bảo trì đơn giản: Cấu trúc ít chi tiết chuyển động, dễ tháo lắp – thay màng.
Nhờ đó, máy bơm màng khí nén trở thành giải pháp tối ưu cho nhà máy hóa chất, xử lý nước, sơn – mực in, mỹ phẩm, dược phẩm…
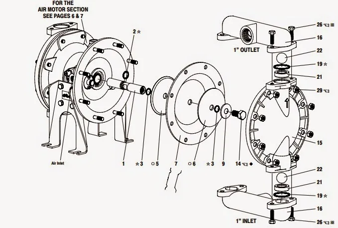
2. Cấu tạo và nguyên lý hoạt động của bơm màng khí nén hóa chất
Cấu tạo chính gồm:
- Hai màng bơm (PTFE, Santoprene, NBR…).
- Van bi và buồng bơm để điều khiển dòng chảy.
- Buồng khí nén – nơi khí được cấp vào để tạo áp lực.
- Thân bơm – chế tạo từ PP, PVDF, Inox tùy loại hóa chất.

Nguyên lý hoạt động:
Khí nén được đưa luân phiên vào hai buồng khí, làm màng bơm dao động qua lại. Chuyển động này tạo lực hút và đẩy chất lỏng qua van một chiều – giúp bơm hoạt động ổn định mà không cần phớt trục hay dầu bôi trơn.

3. Phân loại bơm màng khí nén dùng trong ngành hóa chất
Theo vật liệu thân bơm:
- PP (Polypropylene): chịu axit nhẹ, giá thành rẻ, dùng phổ biến.
- PVDF (Polyvinylidene Fluoride): chịu axit mạnh, dung môi, nhiệt độ cao.
- PTFE (Teflon): kháng hóa chất gần như tuyệt đối.
- Inox 316: phù hợp với hóa chất trung tính, dung môi hữu cơ.
Theo thương hiệu:
Bơm màng ARO (USA): nổi tiếng bền, hiệu suất cao, dễ bảo trì.
Bơm màng Sandpiper (USA): hoạt động mạnh mẽ, đa dạng vật liệu.
Bơm màng Yamada (Japan): vận hành êm, tuổi thọ cao.
Bơm màng TDS (Taiwan): giá tốt, chất lượng ổn định.
Bơm màng Verderair (Netherlands): tiêu chuẩn châu Âu, độ bền cực cao.
Theo kích cỡ đầu hút/xả:
- Từ 1/4” đến 3”, đáp ứng mọi yêu cầu lưu lượng và ứng dụng.
4. Ứng dụng thực tế của bơm màng khí nén hóa chất
- Ngành hóa chất: bơm axit sulfuric, HCl, NaOH, dung môi hữu cơ.
- Xử lý nước – nước thải: bơm clo, PAC, polymer, NaOCl.
- Ngành sơn – mực in: bơm dung môi, sơn đặc, mực công nghiệp.
- Mỹ phẩm – dược phẩm: bơm chất tẩy rửa, tinh dầu, hương liệu.
- Nhà máy công nghiệp: bơm chất tẩy, hóa chất làm sạch, dung dịch ăn mòn.
5. Cách lựa chọn bơm màng khí nén phù hợp cho hóa chất
Khi chọn mua bơm màng khí nén, cần chú ý các yếu tố sau:
- Tính chất hóa chất: xác định độ ăn mòn để chọn vật liệu PP, PVDF hay PTFE.
- Lưu lượng & cột áp: tính toán theo nhu cầu sử dụng.
- Áp suất khí nén có sẵn: thường 5–7 bar.
- Yêu cầu môi trường: chọn loại chống cháy nổ, chứng nhận ATEX nếu cần.
- Nguồn gốc, thương hiệu: nên chọn hãng uy tín, có linh kiện thay thế dễ dàng.
6. Bảng giá tham khảo máy bơm màng khí nén hóa chất
(Giá có thể thay đổi tùy vật liệu và phụ kiện đi kèm – liên hệ 0907.826.239 – 0906.016.339 để nhận báo giá chính xác nhất.)
7. Lý do nên mua máy bơm màng khí nén tại Hải Nam Pumps
- Phân phối chính hãng ARO, Sandpiper, TDS, Yamada.
- Có sẵn hàng, giao nhanh toàn quốc.
- Tư vấn kỹ thuật chuyên sâu, hỗ trợ chọn đúng model phù hợp với hóa chất.
- Bảo hành chính hãng, linh kiện thay thế đầy đủ.
- Hỗ trợ lắp đặt, bảo trì định kỳ tại nhà máy.
Hải Nam Pumps cam kết cung cấp giải pháp toàn diện về bơm công nghiệp – giúp doanh nghiệp vận hành ổn định, an toàn và tiết kiệm chi phí.
8. Hướng dẫn sử dụng và bảo trì máy bơm màng khí nén hóa chất
- Khởi động nhẹ nhàng, tăng áp khí từ từ khi vận hành.
- Không chạy khô trong thời gian dài.
- Vệ sinh định kỳ màng và van bi để tránh đóng cặn.
- Thay thế màng bơm sau 6–12 tháng tùy tần suất.
- Kiểm tra rò rỉ định kỳ để đảm bảo an toàn khi bơm hóa chất độc hại.
Địa chỉ: 13 đường 1B, khu dân cư Bình Chiểu 2, phường Tam Bình, TPHCM.
Hotline: 0907.826.239 – 0906.016.339
Email: Hainampumps@gmail.com
Máy bơm màng khí nén hóa chất là thiết bị không thể thiếu trong các ngành công nghiệp hiện đại, mang lại hiệu quả cao, an toàn và độ bền vượt trội.
Nếu bạn đang cần tư vấn, báo giá hoặc hỗ trợ kỹ thuật, hãy liên hệ ngay với Hải Nam Pumps – đại lý phân phối chính hãng các dòng bơm khí nén hàng đầu thế giới.


